Motor with gearhead, motor frame size: 42 mm square
Frame size: 42 mm square, Four stator lengths
A planetary gearhead for precision positioning can be attached individually as an option.
Gear ratios of 3, 5, 8 and 10 contain the backlash of 3 min or less, and gear ratios of 15, 25, 40 and 50 contain of 5 min or less.
Please purchase a motor and driver set.
Specifications
PSM2-42S-△-PG-PN□
| Motor model | PSM2-42S-△-PG-PN3 | PSM2-42S-△-PG-PN5 | PSM2-42S-△-PG-PN8 | PSM2-42S-△-PG-PN10 | PSM2-42S-△-PG-PN15 | PSM2-42S-△-PG-PN25 | PSM2-42S-△-PG-PN40 | PSM2-42S-△-PG-PN50 |
|---|---|---|---|---|---|---|---|---|
| Max static torque (N・m) |
0.57 | 0.95 | 1.52 | 1.90 | 2.76 | 4.60 | 7.36 | 9.00 |
| Rotor moment of inertia (kg m2) |
35 x 10-7 | |||||||
| Backlash (min) |
3 | 3 | 3 | 3 | 5 | 5 | 5 | 5 |
| Angular transmission error (min) | 5 | 5 | 5 | 5 | 7 | 7 | 7 | 7 |
| Gear ratio | 3 | 5 | 8 | 10 | 15 | 25 | 40 | 50 |
| Resolution (△A:10000P/R) |
0.012° | 0.0072° | 0.0045° | 0.0036° | 0.0024° | 0.00144° | 0.0009° | 0.00072° |
| Resolution (△B:20000P/R) |
0.006° | 0.0036° | 0.00225° | 0.0018° | 0.0012° | 0.00072° | 0.00045° | 0.00036° |
| Average allowable torque (N・m) | 6 | 9 | 9 | 6 | 6 | 9 | 9 | 9 |
| Max allowable torque (N・m) | 12 | 18 | 18 | 12 | 12 | 18 | 18 | 18 |
| Allowable speed range (rpm) |
0~1000 | 0~600 | 0~375 | 0~300 | 0~200 | 0~120 | 0~75 | 0~60 |
| Unit weight (kg) |
0.76 | 0.76 | 0.76 | 0.76 | 0.91 | 0.91 | 0.91 | 0.91 |
| Allowable overhang load(N) (Axis center) |
240 | 290 | 340 | 360 | 410 | 490 | 570 | 620 |
| Allowable thrust load (N) |
270 | 330 | 410 | 450 | 540 | 640 | 640 | 640 |
Example: PSM2-42S-A-PG-PN3
PSM2-42M-△-PG-PN□
| Motor model | PSM2-42M-△-PG-PN3 | PSM2-42M-△-PG-PN5 | PSM2-42M-△-PG-PN8 | PSM2-42M-△-PG-PN10 | PSM2-42M-△-PG-PN15 | PSM2-42M-△-PG-PN25 | PSM2-42M-△-PG-PN40 | PSM2-42M-□-PG-PN50 |
|---|---|---|---|---|---|---|---|---|
| Max static torque (N・m) |
0.85 | 1.42 | 2.28 | 2.85 | 4.14 | 6.90 | 9.00 | 9.00 |
| Rotor inertia moment (kg m2) |
54 x 10-7 | |||||||
| Backlash (min) |
3 | 3 | 3 | 3 | 5 | 5 | 5 | 5 |
| Angular transmission error (min) | 5 | 5 | 5 | 5 | 7 | 7 | 7 | 7 |
| Gear ratio | 3 | 5 | 8 | 10 | 15 | 25 | 40 | 50 |
| Resolution (△A:10000P/R) |
0.012° | 0.0072° | 0.0045° | 0.0036° | 0.0024° | 0.00144° | 0.0009° | 0.00072° |
| Resolution (△B:20000P/R) |
0.006° | 0.0036° | 0.00225° | 0.0018° | 0.0012° | 0.00072° | 0.00045° | 0.00036° |
| Average allowable torque (N・m) | 6 | 9 | 9 | 6 | 6 | 9 | 9 | 9 |
| Max allowable torque (N・m) | 12 | 18 | 18 | 12 | 12 | 18 | 18 | 18 |
| Allowable speed range (rpm) |
0~1000 | 0~600 | 0~375 | 0~300 | 0~200 | 0~120 | 0~75 | 0~60 |
| Unit weight (kg) |
0.81 | 0.81 | 0.81 | 0.81 | 0.97 | 0.97 | 0.97 | 0.97 |
| Allowable overhang load(N) (Axis central standard) |
240 | 290 | 340 | 360 | 410 | 490 | 570 | 620 |
| Allowable Thrust load (N) |
270 | 330 | 410 | 450 | 540 | 640 | 640 | 640 |
Example: PSM2-42S-A-PG-PN3
PSM2-42L-△-PG-PN□
| Motor model | PSM2-42L-△-PG-PN3 | PSM2-42L-△-PG-PN5 | PSM2-42L-△-PG-PN8 | PSM2-42L-△-PG-PN10 | PSM2-42L-△-PG-PN15 | PSM2-42L-△-PG-PN25 | PSM2-42L-△-PG-PN40 | PSM2-42L-△-PG-PN50 |
|---|---|---|---|---|---|---|---|---|
| Max static torque (N・m) |
0.92 | 1.54 | 2.47 | 3.09 | 4.49 | 7.49 | 9.00 | 9.00 |
| Rotor inertia moment (kg m2) |
77 x 10-7 | |||||||
| Backlash (min) |
3 | 3 | 3 | 3 | 5 | 5 | 5 | 5 |
| Angular transmission error (min) | 5 | 5 | 5 | 5 | 7 | 7 | 7 | 7 |
| Gear ratio | 3 | 5 | 8 | 10 | 15 | 25 | 40 | 50 |
| Resolution (△A:10000P/R) |
0.012° | 0.0072° | 0.0045° | 0.0036° | 0.0024° | 0.00144° | 0.0009° | 0.00072° |
| Resolution (△B:20000P/R) |
0.006° | 0.0036° | 0.00225° | 0.0018° | 0.0012° | 0.00072° | 0.00045° | 0.00036° |
| Average allowable torque (N・m) | 6 | 9 | 9 | 6 | 6 | 9 | 9 | 9 |
| Max allowable torque (N・m) | 12 | 18 | 18 | 12 | 12 | 18 | 18 | 18 |
| Allowable speed range (rpm) |
0~1000 | 0~600 | 0~375 | 0~300 | 0~200 | 0~120 | 0~75 | 0~60 |
| Unit weight (kg) |
0.89 | 0.89 | 0.89 | 0.89 | 1.04 | 1.04 | 1.04 | 1.04 |
| Allowable overhang load(N) (Axis central standard) |
240 | 290 | 340 | 360 | 410 | 490 | 570 | 620 |
| Allowable Thrust load (N) |
270 | 330 | 410 | 450 | 540 | 640 | 640 | 640 |
Example: PSM2-42S-A-PG-PN3
PSM2-42XL-△-PG-PN□
| Motor model | PSM2-42XL-△-PG-PN3 | PSM2-42XL-△-PG-PN5 | PSM2-42XL-△-PG-PN8 | PSM2-42XL-△-PG-PN10 | PSM2-42XL-△-PG-PN15 | PSM2-42XL-△-PG-PN25 | PSM2-42XL-△-PG-PN40 | PSM2-42XL-△-PG-PN50 |
|---|---|---|---|---|---|---|---|---|
| Max static torque (N・m) |
1.45 | 2.42 | 3.87 | 4.84 | 6.00 | 9.00 | 9.00 | 9.00 |
| Rotor inertia moment (kg m2) |
114 x 10-7 | |||||||
| Backlash (min) |
3 | 3 | 3 | 3 | 5 | 5 | 5 | 5 |
| Angular transmission error (min) | 5 | 5 | 5 | 5 | 7 | 7 | 7 | 7 |
| Gear ratio | 3 | 5 | 8 | 10 | 15 | 25 | 40 | 50 |
| Resolution (△A:10000P/R) |
0.012° | 0.0072° | 0.0045° | 0.0036° | 0.0024° | 0.00144° | 0.0009° | 0.00072° |
| Resolution (△B:20000P/R) |
0.006° | 0.0036° | 0.00225° | 0.0018° | 0.0012° | 0.00072° | 0.00045° | 0.00036° |
| Average allowable torque (N・m) | 6 | 9 | 9 | 6 | 6 | 9 | 9 | 9 |
| Max allowable torque (N・m) | 12 | 18 | 18 | 12 | 12 | 18 | 18 | 18 |
| Allowable speed range (rpm) |
0~1000 | 0~600 | 0~375 | 0~300 | 0~200 | 0~120 | 0~75 | 0~60 |
| Unit weight (kg) |
1.03 | 1.03 | 1.03 | 1.03 | 1.18 | 1.18 | 1.18 | 1.18 |
| Allowable overhang load(N) (Axis central standard) |
240 | 290 | 340 | 360 | 410 | 490 | 570 | 620 |
| Allowable Thrust load (N) |
270 | 330 | 410 | 450 | 540 | 640 | 640 | 640 |
Example: PSM2-42S-A-PG-PN3
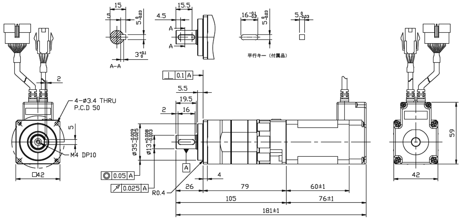
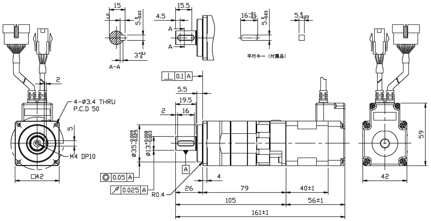
External dimensions
| Motor model | Number of gearhead stage | □Gear ratio |
|---|---|---|
| PSM2-42S-△-PG-PN□ | 1 stage | 3, 5, 8, 10 |
| PSM2-42M-△-PG-PN□ | ||
| PSM2-42L-△-PG-PN□ | ||
| PSM2-42XL-△-PG-PN□ | ||
| PSM2-42S-△-PG-PN□ | 2 stages | 15, 25, 40, 50 |
| PSM2-42M-△-PG-PN□ | ||
| PSM2-42L-△-PG-PN□ | ||
| PSM2-42XL-△-PG-PN□ |