Motor with brake, frame size: 60 mm square
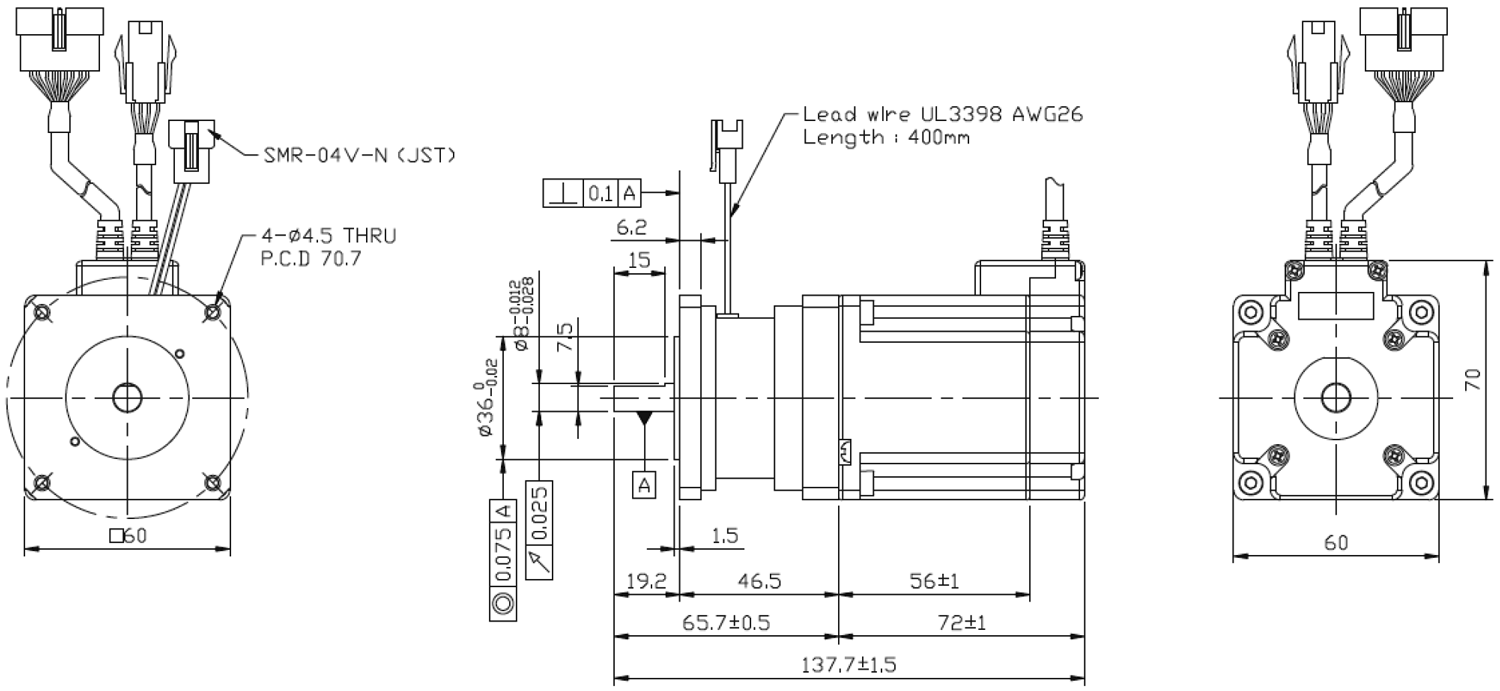
Motor frame size 60 mm square
3 stator lengths are available: 47 mm, 56mm, 85 mm
Individual brakes can be attached as an option.
Use the brake to hold the position.
Please purchase a motor and driver set.
Specifications
| Motor model | PSM2-60S-△-BK | PSM2-60M-△-BK | PSM2-60L-△-BK | |
|---|---|---|---|---|
| Electro-magnetic brake specifications | Operation method | Non excitation operation type | ||
| Power (V) | DC24V ±10% | |||
| Rated current (A) | 0.27A ±10% | |||
| Power consumption (W) | 6.6 | |||
| Static-friction torque (N・m) |
0.7 | |||
| Weight(g) | 1110 | 1300 | 1860 | |
| Allowable overhang load (N) *Distance from tip of motor |
3mm | 70 | ||
| 8mm | 87 | |||
| 13mm | 114 | |||
| 18mm | 165 | |||
| Rotor moment of inertia (kg・m²) | 265×10-7 | 515×10-7 | 715×10-7 | |
※ △ of motor model indicates the resolution, A: 10000P/R and B: 20000P/R.