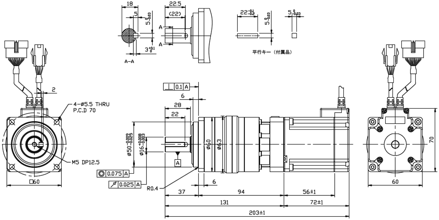
Motor with gearhead, motor frame size: 60 mm square
Frame size: 60 mm square, 3 stator lengths
A planetary gearhead for precision positioning can be attached individually as an option.
Backlash is less than 3min.
Please purchase a motor and driver set.
Specifications
PSM2-60S-△-PG-PN□
| Motor model | PSM2-60S-△-PG-PN3 | PSM2-60S-△-PG-PN5 | PSM2-60S-△-PG-PN8 | PSM2-60S-△-PG-PN10 | PSM2-60S-△-PG-PN15 | PSM2-60S-△-PG-PN25 | PSM2-60S-△-PG-PN40 | PSM2-60S-△-PG-PN50 |
|---|---|---|---|---|---|---|---|---|
| Max static torque (N・m) |
1.5 | 2.5 | 4.0 | 5.1 | 7.4 | 12.3 | 19.8 | 24.7 |
| Rotor inertia moment (kg m2) |
240 x 10-7 | |||||||
| Backlash (min) |
3 | 3 | 3 | 3 | 3 | 3 | 3 | 3 |
| Angular transmission error (min) | 5 | 5 | 5 | 5 | 5 | 5 | 5 | 5 |
| Gear ratio | 3 | 5 | 8 | 10 | 15 | 25 | 40 | 50 |
| Resolution (△A:10000P/R) |
0.012° | 0.0072° | 0.0045° | 0.0036° | 0.0024° | 0.00144° | 0.0009° | 0.00072° |
| Resolution (△B:20000P/R) |
0.006° | 0.0036° | 0.00225° | 0.0018° | 0.0012° | 0.00072° | 0.00045° | 0.00036° |
| Average allowable torque (N・m) | 18 | 27 | 27 | 18 | 18 | 27 | 27 | 27 |
| Max allowable torque (N・m) | 35 | 50 | 50 | 35 | 35 | 50 | 50 | 50 |
| Allowable speed range (rpm) |
0~1000 | 0~600 | 0~375 | 0~300 | 0~200 | 0~120 | 0~75 | 0~60 |
| Unit weight (kg) |
1.84 | 1.84 | 1.84 | 1.84 | 2.13 | 2.13 | 2.13 | 2.13 |
| Allowable overhang load(N) (Axis central standard) |
430 | 510 | 600 | 640 | 740 | 870 | 1000 | 1100 |
| Allowable Thrust load (N) |
310 | 390 | 480 | 530 | 630 | 790 | 970 | 1100 |
Example: PSM2-42S-A-PG-PN3
PSM2-60M-△-PG-PN□
| Motor model | PSM2-60M-△-PG-PN3 | PSM2-60M-△-PG-PN5 | PSM2-60M-△-PG-PN8 | PSM2-60M-△-PG-PN10 | PSM2-60M-△-PG-PN15 | PSM2-60M-△-PG-PN25 | PSM2-60M-△-PG-PN40 | PSM2-60M-△-PG-PN50 |
|---|---|---|---|---|---|---|---|---|
| Max static torque (N・m) |
2.6 | 4.4 | 7.0 | 8.8 | 12.8 | 21.4 | 27.0 | 27.0 |
| Rotor inertia moment (kg m2) |
490 x 10-7 | |||||||
| Backlash (min) |
3 | 3 | 3 | 3 | 3 | 3 | 3 | 3 |
| Angular transmission error (min) | 5 | 5 | 5 | 5 | 5 | 5 | 5 | 5 |
| Gear ratio | 3 | 5 | 8 | 10 | 15 | 25 | 40 | 50 |
| Resolution (△A:10000P/R) |
0.012° | 0.0072° | 0.0045° | 0.0036° | 0.0024° | 0.00144° | 0.0009° | 0.00072° |
| Resolution (△B:20000P/R) |
0.006° | 0.0036° | 0.00225° | 0.0018° | 0.0012° | 0.00072° | 0.00045° | 0.00036° |
| Average allowable torque (N・m) | 18 | 27 | 27 | 18 | 18 | 27 | 27 | 27 |
| Max allowable torque (N・m) | 35 | 50 | 50 | 35 | 35 | 50 | 50 | 50 |
| Allowable speed range (rpm) |
0~1000 | 0~600 | 0~375 | 0~300 | 0~200 | 0~120 | 0~75 | 0~60 |
| Unit weight (kg) |
1.20 | 1.20 | 1.20 | 1.20 | 2.30 | 2.30 | 2.30 | 2.30 |
| Allowable overhang load(N) (Axis central standard) |
430 | 510 | 600 | 640 | 740 | 870 | 1000 | 1100 |
| Allowable Thrust load (N) |
310 | 390 | 480 | 530 | 630 | 790 | 970 | 1100 |
Example: PSM2-42S-A-PG-PN3
PSM-60L-△-PG-PN□
| Motor model | PSM2-60L-△-PG-PN3 | PSM2-60L-△-PG-PN5 | PSM2-60L-△-PG-PN8 | PSM2-60L-△-PG-PN10 | PSM2-60L-△-PG-PN15 | PSM2-60L-△-PG-PN25 | PSM2-60L-△-PG-PN40 | PSM2-60L-△-PG-PN50 |
|---|---|---|---|---|---|---|---|---|
| Max static torque (N・m) |
5.2 | 8.7 | 13.9 | 18.0 | 18.0 | 27.0 | 27.0 | 27.0 |
| Rotor inertia moment (kg m2) |
690 x 10-7 | |||||||
| Backlash (min) |
3 | 3 | 3 | 3 | 3 | 3 | 3 | 3 |
| Angular transmission error (min) | 5 | 5 | 5 | 5 | 5 | 5 | 5 | 5 |
| Gear ratio | 3 | 5 | 8 | 10 | 15 | 25 | 40 | 50 |
| Resolution (△A:10000P/R) |
0.012° | 0.0072° | 0.0045° | 0.0036° | 0.0024° | 0.00144° | 0.0009° | 0.00072° |
| Resolution (△B:20000P/R) |
0.006° | 0.0036° | 0.00225° | 0.0018° | 0.0012° | 0.00072° | 0.00045° | 0.0036° |
| Average allowable torque (N・m) | 18 | 27 | 27 | 18 | 18 | 27 | 27 | 27 |
| Max allowable torque (N・m) | 35 | 50 | 50 | 35 | 35 | 50 | 50 | 50 |
| Allowable speed range (rpm) |
0~1000 | 0~600 | 0~375 | 0~300 | 0~200 | 0~120 | 0~75 | 0~60 |
| Unit weight (kg) |
2.61 | 2.61 | 2.61 | 2.61 | 2.86 | 2.86 | 2.86 | 2.86 |
| Allowable overhang load(N) (Axis central standard) |
430 | 510 | 600 | 640 | 740 | 870 | 1000 | 1100 |
| Allowable Thrust load (N) |
310 | 390 | 480 | 530 | 630 | 790 | 970 | 1100 |
Example: PSM2-42S-A-PG-PN3
External dimensions
| Motor model | Number of gearhead stage | □Gear ratio |
|---|---|---|
| PSM2-60S-△-PG-PN□ | 1 stage | 3, 5, 8, 10 |
| PSM2-60M-△-PG-PN□ | ||
| PSM2-60L-△-PG-PN□ | ||
| PSM2-60S-△-PG-PN□ | 2 stages | 15, 25, 40, 50 |
| PSM2-60M-△-PG-PN□ | ||
| PSM2-60L-△-PG-PN□ |