フレームレスモーターの高性能とハウジング付モーターの利便性を両立しました。
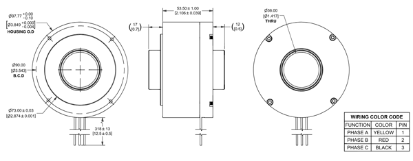
ダイレクトドライブ ロータリーアクチュエーター (DPC-T085CH026-48A)
・高いトルク重量比
・ソリッドシャフト
・コンパクトで軽量
・オプションでエンコーダー、ブレーキ、波動減速機、ホールセンサー、温度センサーを追加可能
| 直径 | 長さ | 電圧 | 定格トルク | ピークトルク | 最大連続電流 | ピーク電流 | 定格スピード |
|---|---|---|---|---|---|---|---|
| 97.7mm | 53.5mm | 48VDC | 3.13Nm | 8.63Nm | 5.23Arms | 14.35Arms | 606rpm |
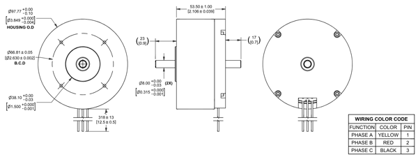
ダイレクトドライブ ロータリーアクチュエーター(DPC-T085CH026-48A-01)
・高いトルク重量比
・大口径中空シャフト
・コンパクトで軽量
・オプションでエンコーダー、ブレーキ、波動減速機、ホールセンサー、温度センサーを追加可能
| 直径 | 長さ | 電圧 | 定格トルク | ピークトルク | 最大連続電流 | ピーク電流 | 定格スピード |
|---|---|---|---|---|---|---|---|
| 97.7mm | 53.5mm | 48VDC | 3.13Nm | 8.63Nm | 5.23Arms | 14.35Arms | 606rpm |
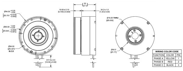
ギヤド ロータリーアクチュエーター(DPC-T085CN008-48A-SA-80)
・高いトルク重量比
・一体型波動ギヤ
・大口径中空シャフト
・コンパクトで軽量
・オプションでエンコーダー、ホールセンサー、温度センサーを追加可能
| 直径 | 長さ | 電圧 | 定格トルク | ピークトルク | 最大連続電流 | ピーク電流 | 定格スピード | スターティングフリクション | ギヤ比 | ギヤ効率 |
|---|---|---|---|---|---|---|---|---|---|---|
| 94mm | 53mm | 48VDC | 24Nm | 51Nm | 5.2Arms | 13.29Arms | 44rpm | 0.23Nm | 80:1 | 80% |
アプリケーションに合わせてカスタマイズ
DriveCoreモーターは、お客様の求める性能や組み込み要件に合わせてカスタマイズ可能です
•特定のトルク–速度プロファイルに合わせた巻線構成
•ソリッドシャフトまたは中空シャフトオプション
•減速比を選択可能な波動ギヤ(Strain Wave Gearbox)
•オプションでエンコーダおよびブレーキ
•カスタムコネクタ、ケーブル、取付インターフェース
•熱管理への適応設計
主な用途
